聯系人:趙工
電話:021-32206726
地址:上海市普陀區中江路889號曹楊商務大廈1501-1502
郵編:200333
德國EUCHNER支架SCHALTERAUFNAHME TP/STP GFK尺寸規格及優勢介紹
德國EUCHNER支架SCHALTERAUFNAHME TP/STP GFK尺寸規格及優勢介紹
EUCHNER是世界工業工程領域的企業之一,成立于1940年,總部位于德國。產品主要涉及三個領域:自動化、人機產品。作為一個家族企業,至今已經超過三代。他們一直堅持傾聽客戶的意見是成功的關鍵。同時,EUCHNER為客戶的商業成功也做出了重大貢獻。通暢的通信結構使其能夠更加接近市場,并更快、更靈活地應對市場的變化。注重新產品的開發,隨時帶領市場的發展趨勢,這也來源于與客戶的長期交流。在質量方面,EUCHNER根據標準來進行著每一步操作,組織中的所有部門都納入質量管理體系。完整的質量保證機制,并定期審計確保各個階段的高標準。從開發到設計,從倉儲到配送,從市場營銷和通信,下至銷售,所有員工共同努力來確保質量的進一步完善和發展。
EUCHNER主要產品:
安全
安全開關、安全系統、安全繼電器、啟動開關、緊急停止裝置、拉繩開關、螺栓
自動化
多限位開關、單限位開關、單孔固定限位開關、位置開關EN50041、自動爪、插頭連接器、始發系
統
人機
手持式,吊掛式按鈕臺、搖桿開關、電子鑰匙系統
德國EUCHNER支架SCHALTERAUFNAHME TP/STP GFK尺寸規格及優勢介紹

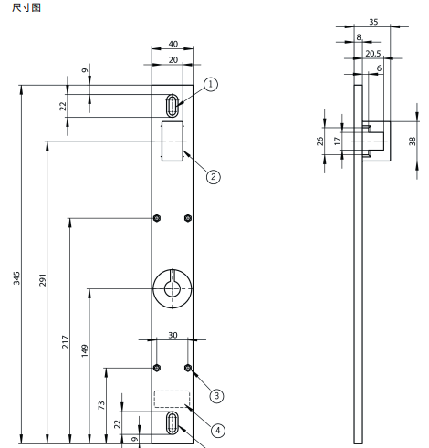
CTP/TP/STP GFK開關支架
玻璃纖維加固塑料開關支架
適用于左開或右開式鉸鏈門

1用于M6氣缸蓋國定螺釘的插槽
2播入輔助裝置:倒角約2mm
38-M5(4x)螺紋村套(金屬)
4類型標簽
優勢:
結構堅醫
通過螺釘連接方式,易于安裝劃標準鋁合全框架和機器外蓋上同時適用于左開或右開式鉸鏈門的對稱設計
注意
此類開關變架適用于GP、SGP、SGA,TP、STP、STA和DCTP系列安全開關
上海維特銳實業發展有限公司,發票隨貨,服務優良,信譽保證。本公司德國設有分公司,歡迎新老客戶有歐美品牌詢價都可以隨時聯系我!
項目支持:
1,德國 KRACHT 克拉克(流量計、指示器可提供現場選型配套技術支持,齒輪泵, 閥,備件采購價格有優勢)
2,德國 VSE 威仕 (流量計提供項目選型配套,技術支持,維修)
3,另外還有很多品牌也很有優勢:
Beinlich百利泵(可提供選型)
RICKMEIER瑞克梅爾泵(可提供選型)
MEISTER流量計
KOBOLD流量計、溫度開關
ATOS液壓電磁閥、泵、壓力繼電器
EATON伊頓/VICKERS威格士泵、閥
REXRTOH力士樂液壓閥、葉片泵
HYDAC賀德克過濾器、濾芯、傳感器
PARKER派克閥、接頭、齒輪泵
WEBTEC流量計
MTS位移傳感器
AIGNEP快插接頭、氣動三聯件、氣動閥、氣缸、流體閥
- 上一篇:沒有了
- 下一篇:美國MTS位移傳感器現貨型號RPS3000MD601C304221
